Miscellaneous
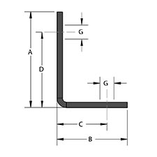
Material: Carbon steel (304 and 316 stainless steel).
Finish: Pre-galvanized.
Service: Designed for the support of plastic or other flexible pipe systems...
Approvals: There are no approval options for this product.
Ordering: Specify size number and figure number.
Notes: There are no notes for this product.
Material: Carbon steel (304 and 316 stainless steel).
Finish: Plain, electro-galvanized.
Service: Designed for use with figure FIG. 21, FIG. 21L (3/8"-3/4") and...
Approvals: There are no approval options for this product.
Ordering: Specify part number, length and finish.
Notes: Add 2" minimum to flange width to determine length.
Material: Carbon steel (304 and 316 stainless steel).
Finish: Plain, electro-galvanized.
Service: Designed for use with FIG. 61 and FIG. 62.
Approvals: There are no approval options for this product.
Ordering: Specify part number, length and finish.
Notes: Add 2" minimum to flange width to determine length.
Material: Carbon steel (304 and 316 stainless steel).
Finish: Plain, electro-galvanized.
Service: Designed as a support, guide or anchor for light duty pipe.
Approvals: There are no approval options for this product.
Ordering: Specify pipe size, figure number and finish. Hex nuts can be ordered separately.
Notes: Available in domestic.
Material: Malleable iron, 304 (41ASSI) and 316 (41ASXI) stainless steel.
Finish: Electro-galvanized, Copper epoxy coated (COPPER- GARD). COPPER-GARD...
Service: Designed for attaching hanger rod to wood beams, ceilings, walls and floor.
Approvals: There are no approval options for this product.
Ordering: Specify rod size, figure number and finish.
Notes: Stainless flange plates are recommended for applications where...
Material: Carbon steel (304 and 316 stainless steel).
Finish: Plain, painted or electro-galvanized.
Service: Designed for the attachment of hanger rod to the bottom flange of steel...
Approvals: Complies with Federal Specification WW-H-171-E (Type# 22), A-A-1192A...
Ordering: Specify rod size, figure number and finish.
Notes: Can be welded in either the upright or inverted position when ordered with...
Material: Carbon steel (304 and 316 stainless steel).
Finish: Plain, painted or electro-galvanized.
Service: Designed for the attachment of hanger rod to the bottom flange of steel...
Approvals: Complies with Federal Specification WW-H-171-E (Type# 22), A-A-1192A...
Ordering: Specify rod size, figure number and finish.
Notes: Can be welded in either the upright or inverted position when ordered with...
Material: Carbon steel (304 and 316 stainless steel).
Finish: Plain or electro-galvanized.
Service: Designed for the attachment to concrete ceilings where flexibility is...
Approvals: There are no approval options for this product.
Ordering: Specify rod size, figure number and finish.
Notes: There are no notes for this product.
Material: Carbon steel (304 and 316 stainless steel).
Finish: Plain or electro-galvanized.
Service: Designed for the attachment of hanger rod to concrete ceilings where...
Approvals: There are no approval options for this product.
Ordering: Specify rod size, figure number and finish.
Notes: There are no notes for this product.
Material: Carbon steel (304 and 316 stainless steel).
Finish: Plain or electro-galvanized.
Service: Designed to be welded to structural members and used in conjunction with...
Approvals: Complies with Federal Specification WW-H-171-E (Type# 57), A-A-1192A...
Ordering: Specify rod size, figure number, finish and whether long or short lug is...
Notes: There are no notes for this product.
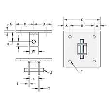
Material: Malleable iron with carbon steel u-bolt and nuts.
Finish: Electro-galvanized.
Service: Designed for anchoring pipe or conduit at a right angle to structural members.
Approvals: There are no approval options for this product.
Ordering: Specify pipe size and figure number.
Notes: There are no notes for this product.
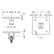
Material: Carbon steel (304 and 316 stainless steel).
Finish: Plain, electro-galvanized.
Service: Designed for support or guide of heavy loads.
Approvals: Complies with Federal Specifications WW-H-171-E (Type# 24), A-A-1192 A...
Ordering: Specify pipe size, figure number and finish. Sizes 1/2" to 1" can be furnished...
Notes: U-bolts with longer tangents or longer threads are avail- able. Also available...
Material: Carbon steel (304 and 316 stainless steel).
Finish: Plain, electro-galvanized.
Service: Designed for supporting light pipe loads next to wall.
Approvals: There are no approval options for this product.
Ordering: Specify pipe size, figure number and finish.
Notes: There are no notes for this product.
Material: Carbon steel (304 and 316 stainless steel).
Finish: Plain, electro-galvanized.
Service: Designed for supporting light pipe loads with 1" offset from wall to provide...
Approvals: There are no approval options for this product.
Ordering: Specify pipe size, figure number and finish.
Notes: There are no notes for this product.
Material: Carbon steel (304 and 316 stainless steel).
Finish: Plain.
Service: Designed to enable the field mechanic to obtain different distances from...
Approvals: Complies with Federal Specifications WW-H-171-E (Type# 21), A-A-1192 A...
Ordering: Specify size number, figure number and finish.
Notes: There are no notes for this product.
Material: Malleable iron.
Finish: Plain or electro-galvanized.
Service: Designed for mounting to sides of wood beams using figure 59 drive screws...
Approvals: There are no approval options for this product.
Ordering: Specify rod size, figure number and finish.
Notes: There are no notes for this product.
Material: Pre-galvanized carbon steel (304 and 316 stainless steel).
Finish: Pre-galvanized.
Service: Designed for outside of foam or fiberglass insulation on stationary pipe...
Approvals: Complies with Federal Specifications WW-H-171-E (Type# 41), A-A-1192 A...
Ordering: Specify shield size and figure number.
Notes: Also available in 304 stainless steel.
Material: Pre-galvanized carbon steel (304 and 316 stainless steel).
Finish: Pre-galvanized.
Service: Designed for outside of foam or fiberglass insulation on stationary pipe...
Approvals: Complies with Federal Specifications WW-H-171-E (Type# 26), A-A-1192 A...
Ordering: Specify shield size and figure number.
Notes: Also available in 304 stainless steel.
Material: Malleable iron.
Finish: There are no finishing options for this product.
Service: Used for leveling and shimming tubs during and after installation.
Approvals: There are no approval options for this product.
Ordering: Specify figure number.
Notes: There are no notes for this product.
Material: Malleable iron.
Finish: Plain.
Service: Designed for attaching hanger rod to the side of steel or wooden beams.
Approvals: Complies with Federal Specifications WW-H-171-E (Type# 35), A-A-1192 A...
Ordering: Specify rod size and figure number.
Notes: There are no notes for this product.
Material: Carbon steel.
Finish: Pre-galvanized.
Service: Designed to protect piping and electrical lines that pass though wood framing...
Approvals: There are no approval options for this product.
Ordering: Specify size & figure number.
Notes: There are no notes for this product.
Material: Carbon steel.
Finish: Pre-galvanized.
Service: Designed to protect piping and electrical lines that pass through metal...
Approvals: There are no approval options for this product.
Ordering: Specify size, gauge and figure number.
Notes: There are no notes for this product.
Material: Carbon steel.
Finish: Pre-galvanized.
Service: Designed to protect piping and electrical lines that pass through metal...
Approvals: There are no approval options for this product.
Ordering: Specify regular or self nailing style and figure number.
Notes: There are no notes for this product.
Material: Carbon steel.
Finish: Pre-galvanized.
Service: Designed to protect piping and electrical lines that pass through metal...
Approvals: There are no approval options for this product.
Ordering: Specify regular or self nailing style and figure number.
Notes: There are no notes for this product.
Material: Carbon steel.
Finish: Pre-galvanized.
Service: Designed to protect piping and electrical lines that pass through metal...
Approvals: There are no approval options for this product.
Ordering: Specify size, gauge and figure number.
Notes: There are no notes for this product.
Material: Carbon steel.
Finish: Pre-galvanized.
Service: Designed to protect piping and electrical lines that pass though wood...
Approvals: There are no approval options for this product.
Ordering: Specify size & figure number.
Notes: There are no notes for this product.
Service: A fast & tough carbide tip provides long life, easy centering...
Notes: Rotary Hammer Drill, Industrial Quality, ANSI Specification...
Service: 4 Sided Traditional TungsetCarbide Tip with Copper Silver Brazing for...
Notes: Rotary Hammer Drill, Industrial Quality, ANSI Specification...
Material: Rotary Hammer Drill, ANSI Specification...
Material: Forged steel (304 and 316 stainless steel).
Finish: Plain, electro-galvanized, or hot-dip galvanized.
Service: Designed for use on high temperature piping installations.
Approvals: Complies with Federal Specification WW-H-171-E (Type# 14), A-A-1192 A...
Ordering: Specify size number, rod size, finish and part number. If other than standard...
Notes: Forged clevis are normally supplied with pin and cotter pins. When figure...
Material: Forged steel (304 and 316 stainless steel).
Finish: Plain, electro-galvanized, or hot-dip galvanized.
Service: Designed for use on high temperature piping installations.
Approvals: Complies with Federal Specification WW-H-171-E (Type# 14), A-A-1192 A...
Ordering: Specify size number, rod size, finish and part number. If other than standard...
Notes: Forged clevis are normally supplied with pin and cotter pins. When figure...
Material: Malleable iron body and nut.
Finish: Black or galvanized.
Service: There are no service options for this product.
Approvals: The 3/8" rod size is Underwriters Laboratories listed and Factory Mutual...
Ordering: Specify figure number, name, size of nut tapping of nut is required.
Notes: Cast body prevents concrete seepage. Opening in top of insert provides for...
Material: Carbon steel (304 and 316 stainless steel).
Finish: Plain, electro-galvanized.
Service: Designed for use on insulated high temperature pipe lines to protect...
Approvals: Complies with Federal Specification WW-H-171-E...
Ordering: Specify pipe size, insulation size and/or figure number.
Notes: All saddles are 12 inches long with side edges beveled in. Stainless steel and...
Material: Carbon steel (304 and 316 stainless steel).
Finish: Plain, electro-galvanized.
Service: Designed for use on insulated high temperature pipe lines to protect...
Approvals: Complies with Federal Specification WW-H-171-E...
Ordering: Specify pipe size, insulation size and/or figure number.
Notes: All saddles are 12 inches long with side edges beveled in. Stainless steel...
Material: Carbon steel (304 and 316 stainless steel).
Finish: Plain, electro-galvanized.
Service: Designed for use on insulated high temperature pipe lines to protect...
Approvals: Complies with Federal Specification WW-H-171-E...
Ordering: Specify pipe size, insulation size and/or figure number.
Notes: All saddles are 12 inches long with side edges beveled in. Stainless steel...
Material: Carbon steel (304 and 316 stainless steel).
Finish: Plain, electro-galvanized.
Service: Designed for use on insulated high temperature pipe lines to protect...
Approvals: Complies with Federal Specification WW-H-171-E...
Ordering: Specify pipe size, insulation size and/or figure number.
Notes: All saddles are 12 inches long with side edges beveled in. Stainless steel...
Material: Carbon steel (304 and 316 stainless steel).
Finish: Plain, electro-galvanized.
Service: Designed for use on insulated high temperature pipe lines to protect...
Approvals: Complies with Federal Specification WW-H-171-E...
Ordering: Specify pipe size, insulation size and/or figure number.
Notes: All saddles are 12 inches long with side edges beveled in. Stainless steel...
Material: Carbon steel (304 and 316 stainless steel).
Finish: Plain, electro-galvanized.
Service: Designed for use on insulated high temperature pipe lines to protect...
Approvals: Complies with Federal Specification WW-H-171-E...
Ordering: Specify pipe size, insulation size and/or figure number.
Notes: All saddles are 12 inches long with side edges beveled in. Stainless steel...
Material: Carbon steel.
Finish: Plain.
Service: Designed for the suspension of no hub or service weight cast iron pipe.
Approvals: There are no approval options for this product.
Ordering: Specify size and figure number.
Notes: There are no notes for this product.
Material: Solid Brass
Finish: There are no finish notes for this product.
Service: Solid brass material is recommended for extra protection in...
Approvals: There are no approval options for this product.
Ordering: There are no ordering notes for this product.
Notes: There are no notes for this product.
Material: Carbon steel.
Finish: Plain, electro-galvanized or painted.
Service: Heavy gauge insert box is nailed to concrete form. When concrete has set...
Approvals: Complies with Federal Specification WW-H-171-E (Type# 19), A-A-1192A...
Ordering: Specify figure number and finish. For insert nuts specify figure number...
Notes: There are no notes for this product.
Material: Carbon steel.
Finish: Plain, electro-galvanized or painted.
Service: Heavy gauge insert box is nailed to concrete form. When concrete has set...
Approvals: Complies with Federal Specification WW-H-171-E (Type# 19), A-A-1192A...
Ordering: Specify figure number and finish. For insert nuts specify figure number...
Notes: There are no notes for this product.
Material: Malleable Iron
Finish: Plain or Electro-Plated
Service: Designed for use with Fig.# 982 Malleable Iron Insert.
Approvals: There are no approval options for this product.
Ordering: Specify size and finish.
Notes: There are no notes for this product.