Industrial Threaded Products
Miscellaneous Fig. 68
(631)665-9300

product

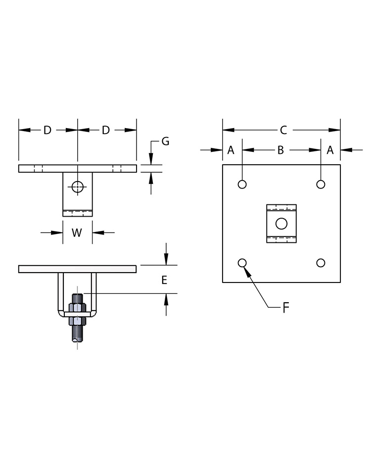
Concrete Rod Attachment – Fig. 68

For more product information please call (631) 665-9300
Diagram Notes

There are currently no diagram notes for this product.

Material

Carbon steel, also available in 304 and 316 stainless steel.

Finish

Plain or electro-galvanized.

Service

Designed for the attachment of hanger rod to concrete ceilings where vertical adjustment of hanger is desired.

Approvals

There are no approval options for this product.

Ordering

Specify rod size, figure number and finish.

Notes

There are no notes for this product.

53df7dd16d41053779165789_domestic_icons_03.jpg
  • Rod Size
    3/8
    1/2
    5/8
    3/4
    7/8
    1
    1 1/8
    1 1/4
  • A
    1
    1
    1
    1
    1
    2
    2
    2
  • B
    8
    8
    8
    8
    8
    8
    8
    8
  • C
    10
    10
    10
    10
    10
    12
    12
    12
  • D
    5
    5
    5
    5
    5
    6
    6
    6
  • E
    2 1/4
    2 1/8
    2 1/4
    2 1/4
    3 1/8
    3 1/2
    3 5/8
    3 5/8
  • F
    9/16
    9/16
    9/16
    11/16
    11/16
    13/16
    13/16
    13/16
  • G
    3/8
    3/8
    1/2
    1/2
    1/2
    3/4
    3/4
    3/4
  • W
    2
    2
    2
    2 1/2
    2 1/2
    3
    3
    4
  • Wgt Each (lbs)
    11.66
    11.66
    15.16
    16.12
    16.73
    34.99
    35.22
    38.81
  • Max Rec Load (lbs)
    610
    1130
    1810
    2710
    3770
    4960
    6230
    8000