Industrial Threaded Products
Miscellaneous Fig. 67
(631)665-9300

product

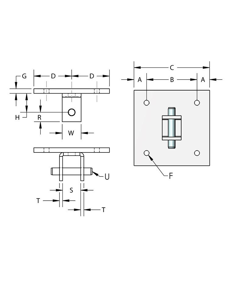
Concrete Clevis Plate – Fig. 67

For more product information please call (631) 665-9300
Diagram Notes

There are currently no diagram notes for this product.

Material

Carbon steel, also available in 304 and 316 stainless steel.

Finish

Plain or electro-galvanized.

Service

Designed for the attachment to concrete ceilings where flexibility is desired. Normally used in conjunction with FIG. 13 weldless eye nut or FIG. #26W welded eye rod.

Approvals

There are no approval options for this product.

Ordering

Specify rod size, figure number and finish.

Notes

There are no notes for this product.

53df7dd16d41053779165789_domestic_icons_03.jpg
  • Rod Size
    3/8
    1/2
    5/8
    3/4
    7/8
    1
    1 1/8
    1 1/4
    1 1/2
  • A
    1
    1
    1
    1
    1
    2
    2
    2
    2
  • B
    8
    8
    8
    8
    8
    8
    8
    8
    8
  • C
    10
    10
    10
    10
    10
    12
    12
    12
    12
  • D
    5
    5
    5
    5
    5
    6
    6
    6
    6
  • F
    9/16
    9/16
    9/16
    11/16
    11/16
    13/16
    15/16
    15/16
    1 1/8
  • G
    3/8
    3/8
    1/2
    1/2
    1/2
    3/4
    3/4
    3/4
    1
  • H
    2
    2
    2
    2
    3
    3
    3
    3
    4
  • R
    7/8
    7/8
    7/8
    1 1/8
    1 1/4
    1 1/2
    1 3/4
    2
    2 1/2
  • S
    1 1/2
    1 1/2
    1 1/2
    1 3/4
    2 1/4
    2 3/4
    2 3/4
    3
    3 1/2
  • T
    1/4
    1/4
    1/4
    3/8
    3/8
    1/2
    5/8
    5/8
    3/4
  • U
    1/2
    5/8
    3/4
    7/8
    1
    1 1/8
    1 3/8
    1 3/8
    1 5/8
  • W
    2
    2
    2
    2 1/2
    2 1/2
    3
    3
    4
    5
  • Wgt Each (lbs)
    11.87
    12.01
    15.75
    16.99
    18.14
    37.01
    37.90
    40.72
    60.00
  • Max Rec Load (lbs)
    610
    1130
    1810
    2710
    3770
    4960
    6230
    8000
    11630