Industrial Threaded Products
Hardware Washers Fig. 53
(631)665-9300

product

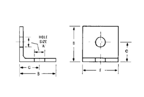
Angle Bracket Fig. 53

For more product information please call (631) 665-9300
Diagram Notes

There are currently no diagram notes for this product.

Material

Carbon steel, also available in 304 and 316 stainless steel.

Finish

Plain, electro-galvanized.

Service

Designed for attaching hanger rod to the side of beams or walls.

Approvals

Complies with Federal specification WW-H-171E(Type#35), A-A-1192 A(Type#34), and MSS SP-58 and 7SP-69(Type#34)

Ordering

Specify rod size, figure number and finish.

Notes

Also available in stainless steel.

  • Size
    3/8-16
    1/2-13
    5/8-11
    3/4-10
  • Material Thickness
    8ga
    3ga
    3/8
    3/8
  • A
    7/16
    9/16
    11/16
    13/16
  • B
    2 1/16
    2 1/8
    2 3/4
    3 1/4
  • C
    1 5/16
    1 3/8
    1 5/8
    2 3/16
  • D
    1 1/2
    1 1/2
    2 1/2
    2 1/2
  • Wgt Each (lbs)
    0.225
    0.330
    1.130
    1.390
  • Max REC Load (lbs)
    300
    560
    900
    900