Industrial Threaded Products
Anchors Pipe Guides Fig. 256
(631)665-9300

product

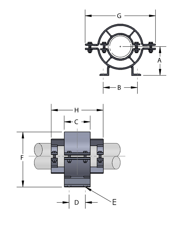
Pipe Alignment Guide – Fig. 256

For more product information please call (631) 665-9300
Diagram Notes

“E” is bolt size.

Material

Carbon steel, also available in 304 and 316 stainless steel.

Finish

Plain, electro-galvanized or painted.

Service

Designed for use with insulated or non-insulated pipe lines to maintain alignment of piping through axial expansion and contraction cycles. Proper alignment of the adjoining pipe is of vital importance in the proper functioning of expansion joints in the line. Pipe guides are not designed to support any piping system weight, therefore additional supports are required. The use of two or more guides on both sides of the expansion joint is recommended to avoid a pivoting effect in the line. Maximum temperature is 750°F.

Approvals

There are no approval options for this product.

Ordering

Specify pipe size, insulation thickness, figure number and size number.

Notes

There are no notes for this product.

53a846679c3193af1f1ab2d1_domestic_icons_03.jpg
  • Size No.
    2
    3
    4
    5
    6
    7
    8
    9
    10
    11
    12
    13
    14
  • A
    4
    4 1/2
    6
    7 1/2
    8 1/2
    9 1/4
    10 1/8
    11
    12
    13 3/4
    14 3/4
    16 1/4
    18 1/4
  • B
    5 3/8
    5 3/4
    7
    8 5/16
    8 3/4
    11 1/16
    12
    13 1/4
    13 9/16
    15 1/4
    15 3/4
    18 3/4
    19 1/2
  • C
    4
    4
    6
    6
    8
    8
    8
    8
    8
    8
    8
    8
    8
  • D
    2 1/2
    2 1/2
    4
    4
    5
    5
    5
    5
    5
    5
    5
    5
    5
  • E
    1/2
    1/2
    1/2
    5/8
    5/8
    3/4
    3/4
    3/4
    7/8
    7/8
    7/8
    1
    1
  • F
    7 1/16
    8 1/4
    10 3/4
    13 1/4
    15 1/2
    17
    18 3/4
    20 1/4
    22 1/4
    26
    28
    31 1/2
    35 1/2
  • G
    9 1/2
    11 1/4
    12 3/4
    15 1/2
    17 1/2
    18 3/8
    20 1/2
    22 3/8
    24
    28
    30
    34
    38
  • H
    8
    8
    10
    10
    12
    12
    12
    12
    12
    12
    12
    12
    12
  • Wgt Each (lbs)
    13
    15
    26
    35
    48
    59
    66
    69
    88
    132
    144
    153
    172
Guide Size Selection Table
  • Pipe Size
    1
    1 1/4
    1 1/2
    2
    2 1/2
    3
    3 1/2
    4
    5
    6
    8
    10
    12
    14
    16
    18
    20
    24
J-Insulation Thickness
  • 0
    2
    2
    2
    2
    3
    3
    4
    4
    5
    5
    7
    9
    10
    11
    11
    12
    13
    14
  • 1
    2
    2
    2
    2
    3
    3
    4
    4
    5
    5
    7
    9
    10
    11
    11
    12
    13
    14
  • 1 1/2
    2
    3
    3
    3
    4
    4
    4
    4
    5
    5
    7
    9
    10
    11
    11
    12
    13
    14
  • 2
    3
    4
    4
    4
    4
    4
    5
    5
    5
    6
    7
    9
    10
    11
    11
    12
    13
    14
  • 2 1/2
    4
    4
    4
    4
    5
    5
    5
    5
    6
    6
    8
    9
    10
    11
    11
    12
    13
    14
  • 3
    4
    5
    5
    5
    5
    5
    6
    6
    6
    7
    8
    9
    10
    11
    11
    12
    13
    14
  • 4
    5
    5
    6
    6
    6
    6
    7
    7
    8
    8
    9
    10
    11
    11
    12
    13
    13
    14
  • 5
    6
    6
    7
    7
    7
    8
    8
    8
    9
    9
    10
    11
    11
    12
    13
    13
    14
    -