Industrial Threaded Products
Strut Fig. 7200
(631)665-9300

product

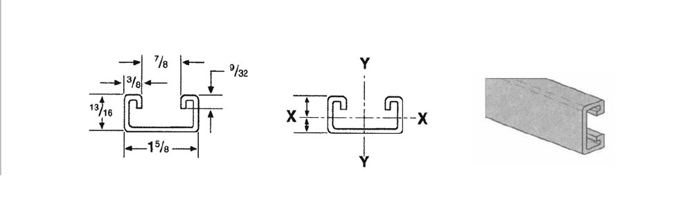
13/16” x 1-5/8” 14 Gauge Strut Solid – Fig. 7200

For more product information please call (631) 665-9300
Diagram Notes

There are currently no diagram notes for this product.

Finish

Plain, pre-galvanized, green painted

Standard Length

10’ or 20’

Weight Per Foot (Lbs)

0.97

Notes

304 and 316 stainless, PVC coated and hot-dipped galvanized are available.

53df7dd16d41053779165789_domestic_icons_03.jpg
  • ITP
    Figure Number
    7200
  • Wgt/Ft
    Lbs
    1.03
  • Area of Section
    Sq. In.
    0.286
X-X Axis
  • I in^4
    0.025
  • S in^3
    0.053
  • r in
    0.298
Y-Y Axis
  • I in^4
    0.106
  • S in^3
    0.131
  • r in
    0.610

I = Moment of Inertia
S = Section Modulus
r = Radius of Gyration

Notes for the Below Chart:

* Not recommended – KL/r exceeds 200
**For These Loads, the uniform beam capacity is lower than the L/240 or L360 beam capacity and is therefore the governing restraint.
*** Load limited by spot-weld shear.

1. The beam capacities shown above include the weight of the strut beam. The beam weight must be subtracted from these capacities to arrive at the net beam capacity.

2. Allowable beam loads are based on a uniform loaded, simply supported beam. For capacities of a beam loaded at mid-span at a single point, multiply the beam capacity by 50% and deflection by 80%.

3. The below chart shows beam capacities for strut without holes. For strut with holes, multiply the following: 7/8” diameter Knockout by 82%, Round Hole 3/4” by 85% and Round Hole 9/16” by 88%, Slotted 9/16” x 1-1/8” by 88%, 13/32” x 3” by 90%

  • Span or Column (in)
    12
    18
    24
    30
    36
    42
    48
    60
    72
    84
    96
    108
    120
    180
    240
  • ITP
    Figure
    Number
    7200
    7200
    7200
    7200
    7200
    7200
    7200
    7200
    7200
    7200
    7200
    7200
    7200
    7200
    7200
  • Max Load of
    Column Loaded
    @ C.G. (lbs)
    3,598
    3,340
    3,086
    2,854
    2,654
    2,449
    2,259
    *
    *
    *
    *
    *
    *
    *
    *
Static Beam Load
  • Allowable Uniform Load
    @25,000 PSI (lbs)
    887
    591
    444
    355
    296
    254
    222
    177
    148
    127
    111
    99
    89
    59
    44
  • Deflection
    @ 25,000 PSI (in)
    0.027
    0.060
    0.106
    0.166
    240
    0.327
    0.427
    0.667
    0.960
    1.037
    1.707
    2.160
    2.668
    6.003
    10.672
  • Uniform Load
    @ L/240 (lbs)
    **
    **
    416
    266
    185
    136
    104
    66
    46
    34
    26
    21
    17
    7
    4
  • Uniform Load
    @ L/360 (lbs)
    **
    493
    277
    177
    123
    91
    69
    14
    31
    23
    17
    14
    11
    5
    3