Industrial Threaded Products
Strut Fig. 7101
(631)665-9300

product

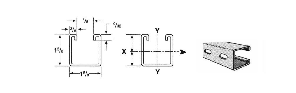
1-5/8” x 1-5/8” 14 Gauge Strut Slotted – Fig. 7101

For more product information please call (631) 665-9300
Diagram Notes

There are currently no diagram notes for this product.

Finish

Plain, pre-galvanized, green painted

Standard Length

10’ or 20’

Weight Per Foot (Lbs)

1.36

Notes

304 and 316 stainless, PVC coated and hot-dipped galvanized are available.
Follow step 3 in the “Notes for the Below Chart” section for the specifications for this product.

53df7dd16d41053779165789_domestic_icons_03.jpg
  • ITP
    Figure Number
    7100
  • Wgt/Ft
    Lbs
    1.45
  • Area of Section
    Sq. In.
    0.407
X-X Axis
  • I in^4
    0.143
  • S in^3
    0.158
  • r in
    0.593
Y-Y Axis
  • I in^4
    0.179
  • S in^3
    0.221
  • r in
    0.664

I = Moment of Inertia
S = Section Modulus
r = Radius of Gyration

Notes for the Below Chart:

* Not recommended – KL/r exceeds 200
**For These Loads, the uniform beam capacity is lower than the L/240 or L360 beam capacity and is therefore the governing restraint.
*** Load limited by spot-weld shear.

1. The beam capacities shown above include the weight of the strut beam. The beam weight must be subtracted from these capacities to arrive at the net beam capacity.

2. Allowable beam loads are based on a uniform loaded, simply supported beam. For capacities of a beam loaded at mid-span at a single point, multiply the beam capacity by 50% and deflection by 80%.

3. The below chart shows beam capacities for strut without holes. For strut with holes, multiply the following: 7/8” diameter Knockout by 82%, Round Hole 3/4” by 85% and Round Hole 9/16” by 88%, Slotted 9/16” x 1-1/8” by 88%, 13/32” x 3” by 90%

  • Span or Column (in)
    12
    18
    24
    30
    36
    42
    48
    60
    72
    84
    96
    108
    120
    180
    240
  • ITP
    Figure
    Number
    7100
    7100
    7100
    7100
    7100
    7100
    7100
    7100
    7100
    7100
    7100
    7100
    7100
    7100
    7100
  • Max Load of
    Column Loaded
    @ C.G. (lbs)
    5,548
    5,066
    4,473
    3,817
    3,141
    2,546
    2,148
    1,659
    1,370
    1,174
    1,028
    911
    *
    *
    *
Static Beam Load
  • Allowable Uniform Load
    @25,000 PSI (lbs)
    2,632
    1,754
    1,316
    1,052
    877
    752
    658
    526
    439
    376
    329
    292
    263
    175
    132
  • Deflection
    @ 25,000 PSI (in)
    0.014
    0.032
    0.056
    0.088
    0.126
    0.172
    0.224
    0.350
    0.504
    0.687
    0.897
    1.135
    1.140
    3.153
    5.605
  • Uniform Load
    @ L/240 (lbs)
    **
    **
    **
    **
    **
    **
    587
    376
    261
    192
    147
    116
    94
    42
    23
  • Uniform Load
    @ L/360 (lbs)
    **
    **
    **
    **
    695
    511
    391
    250
    174
    128
    98
    77
    63
    28
    16