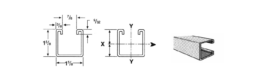
There are currently no diagram notes for this product.
Plain, pre-galvanized, green painted
10’ or 20’
1.40
304 and 316 stainless, PVC coated and hot-dipped galvanized are available.
I = Moment of Inertia
S = Section Modulus
r = Radius of Gyration
* Not recommended – KL/r exceeds 200
**For These Loads, the uniform beam capacity is lower than the L/240 or L360 beam capacity and is therefore the governing restraint.
*** Load limited by spot-weld shear.
1. The beam capacities shown above include the weight of the strut beam. The beam weight must be subtracted from these capacities to arrive at the net beam capacity.
2. Allowable beam loads are based on a uniform loaded, simply supported beam. For capacities of a beam loaded at mid-span at a single point, multiply the beam capacity by 50% and deflection by 80%.
3. The below chart shows beam capacities for strut without holes. For strut with holes, multiply the following: 7/8” diameter Knockout by 82%, Round Hole 3/4” by 85% and Round Hole 9/16” by 88%, Slotted 9/16” x 1-1/8” by 88%, 13/32” x 3” by 90%