Industrial Threaded Products
Strut Fig. 7000
(631)665-9300

product

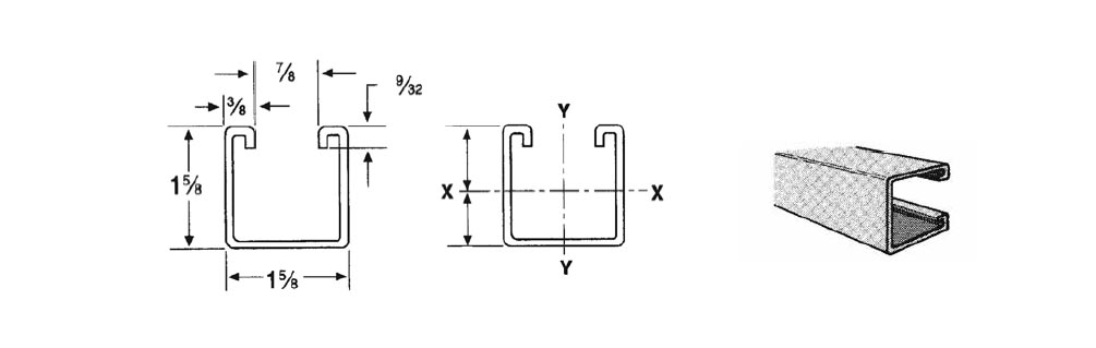
1-5/8” x 1-5/8” 12 Gauge Strut Solid – Fig. 7000

For more product information please call (631) 665-9300
Diagram Notes

There are currently no diagram notes for this product.

Finish

Plain, pre-galvanized, green painted

Standard Length

10’ or 20’

Weight Per Foot (Lbs)

1.90

Notes

304 and 316 stainless, PVC coated and hot-dipped galvanized are available.

53df7dd16d41053779165789_domestic_icons_03.jpg
  • ITP
    Figure Number
    7000
    7000A
  • Wgt/Ft
    Lbs
    1.94
    3.88
  • Area of Section
    Sq. In.
    0.544
    1.088
X-X Axis
  • I in^4
    0.180
    0.896
  • S in^3
    0.195
    0.570
  • r in
    0.575
    0.908
Y-Y Axis
  • I in^4
    0.233
    0.466
  • S in^3
    0.287
    0.574
  • r in
    0.655
    0.655

I = Moment of Inertia
S = Section Modulus
r = Radius of Gyration

Notes for the Below Chart:

* Not recommended – KL/r exceeds 200
**For These Loads, the uniform beam capacity is lower than the L/240 or L360 beam capacity and is therefore the governing restraint.
*** Load limited by spot-weld shear.

1. The beam capacities shown above include the weight of the strut beam. The beam weight must be subtracted from these capacities to arrive at the net beam capacity.

2. Allowable beam loads are based on a uniform loaded, simply supported beam. For capacities of a beam loaded at mid-span at a single point, multiply the beam capacity by 50% and deflection by 80%.

3. The below chart shows beam capacities for strut without holes. For strut with holes, multiply the following: 7/8” diameter Knockout by 82%, Round Hole 3/4” by 85% and Round Hole 9/16” by 88%, Slotted 9/16” x 1-1/8” by 88%, 13/32” x 3” by 90%

  • Span or Column (in)
    12
    12
    18
    18
    24
    24
    30
    30
    36
    36
    42
    42
    48
    48
    60
    60
    72
    72
    84
    84
    96
    96
    108
    108
    120
    120
    180
    180
    240
    240
  • ITP
    Figure
    Number
    7000
    7000A
    7000
    7000A
    7000
    7000A
    7000
    7000A
    7000
    7000A
    7000
    7000A
    7000
    7000A
    7000
    7000A
    7000
    7000A
    7000
    7000A
    7000
    7000A
    7000
    7000A
    7000
    7000A
    7000
    7000A
    7000
    7000A
  • Max Load of
    Column Loaded
    @ C.G. (lbs)
    7,109
    14,862
    6,549
    14,402
    5,938
    13,919
    5,337
    13,473
    4,771
    13,090
    4,242
    12,771
    3,745
    12,511
    3,012
    11,685
    2,514
    10,078
    2,136
    8,180
    1,834
    6,291
    1,585
    4,971
    *
    4,026
    *
    *
    *
    *
Static Beam Load
  • Allowable Uniform Load
    @25,000 PSI (lbs)
    3,249
    2,610
    2,166
    2,610 ***
    1,625
    2,610 ***
    1,300
    2,610 ***
    1,083
    2,610 ***
    928
    2610 ***
    812
    2,374
    650
    1,899
    542
    1,582
    464
    1,356
    406
    1,187
    361
    1,055
    325
    949
    217
    633
    163
    474
  • Deflection
    @ 25,000 PSI (in)
    0.014
    0.008
    0.031
    0.018
    0.055
    0.032
    0.086
    0.050
    0.124
    0.072
    0.169
    0.099
    0.220
    0.129
    0.344
    0.202
    0.496
    0.291
    0.675
    0.396
    0.882
    0.517
    1.116
    0.655
    1.378
    0.808
    3.099
    1.819
    5.510
    3.233
  • Uniform Load
    @ L/240 (lbs)
    **
    **
    **
    **
    **
    **
    **
    **
    **
    **
    **
    **
    737
    **
    471
    **
    327
    **
    240
    1,199
    184
    917
    145
    725
    117
    587
    52
    261
    29
    147
  • Uniform Load
    @ L/360 (lbs)
    **
    **
    **
    **
    **
    **
    1,257
    **
    873
    **
    641
    **
    491
    **
    314
    1,566
    218
    1,087
    160
    799
    123
    611
    97
    483
    78
    391
    35
    174
    19
    98